本文是针对「QEG自由能源发电机」的简单原理介绍。若您还不清楚「QEG自由能源发电机」是什么,请参阅〈修复世界组织公开声明〉或〈QEG自由能源宝典〉。若您不了解何谓「自由能源」或对自由能源有疑问,请参阅这篇〈自由能源〉简介。
以下的介绍是我跟QEG发明人詹姆士(James)对谈后,凭自己的记忆和理解,所写下的原理说明。由于我自己没有电机相关的背景,所以不敢保证我的理解必然正确或完整,只希望我粗浅的理解能够提供给对QEG原理感到好奇的人做为参考。
根据James的说法,他其实并不是QEG的真正发明者,QEG的设计有一部分是跟WITTS组织学习而来。该组织虽然拥有这套自由能源技术,却吝啬于分享。若想与他们合作,仅仅是制造一台发电机,就必须付出巨额的捐款。而他们所开设的发电机教学课程,更故意隐瞒了许多关键细节,让学员必须不断花钱继续上课。 James上过他们的课程之后,不愿继续花冤枉钱上课。决定靠自己研究被隐瞒的关键部分。 James经过一番自行的研究、学习,透过他人的协助、上天给予的灵感和27年的电子工程经验,终于明白如何打造并改良这台发电机。(James 对WITTS保持尊敬的态度,毕竟他们确实是他的老师,而QEG的诞生也有很大一部份要归功于他们,因此James建议人们可以考虑捐款给WITTS。)
好了,我们先来看看QEG的长相吧~ 这是James在美国的原型机:

照片中左侧的部分就是发电机的核心,右侧则是一个现成的马达。马达透过一条皮带来驱动核心的旋转。
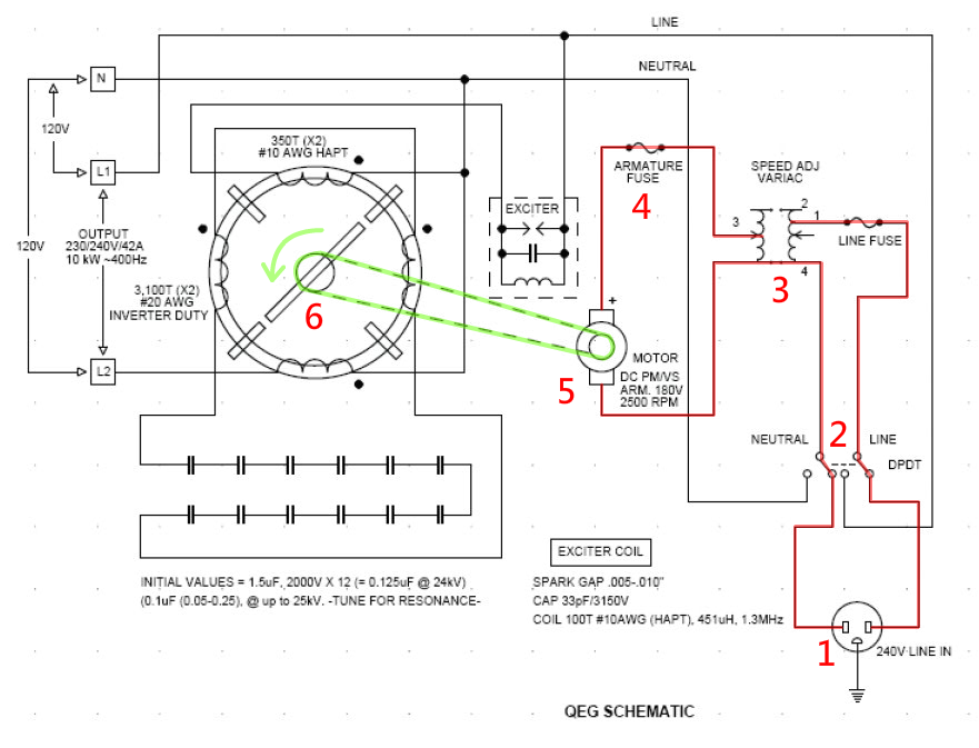
下面是QEG的电路图:

在电路图里面,绿色的部分就是发电机的核心,而红色的部分就是马达。
发电机核心
在整个发电机里面最关键的部分就是它的核心。这个核心的外围,是一个长得有点像变压器的线圈,它是这个核心的「定子」部分,而在核心的中央则有一个可以旋转的金属结构,它是这个核心的「转子」部分。如下图:


定子(线圈的铁芯)和转子并不是整块的铁块,而是由140片特定厚度(0.025英寸)与型号(M19)的矽钢片叠起来并经过焊接固定而构成:
(转子和定子是由矽钢片叠成)

为什么要使用矽钢片叠成核心,而不是使用整块的铁块呢?因为这个发电机的特点,就是它需要透过共振的原理来发电。只有特定厚度与材质(矽含量)的矽钢片,才可以让发电机产生特定频率的震动。如果使用一整块的铁块,或厚度、材质不对,发电机就无法顺利达到所需要的共振频率。
这是目前QEG团队带到台湾来的两颗核心:

(来到台湾的两颗发电机核心)
这两颗核心,一颗还没绕线圈,另一颗则已经绕好,从图片可以看到,这个核心非常的重!还没绕线的铁芯就有33.3公斤,绕好线并经过绝缘加工后的核心后更达到53.45公斤! (咦…怎么只有左边有放转子…)
接下来,就让我们来看看QEG发电机的电路吧!在QEG的整个电路中,其实包含了几组不同功能的子电路。我将会逐一介绍这些子电路,并在过程中说明QEG的运作原理。
马达驱动电路
第一个介绍的就是原理最简单的「马达驱动电路」,也就是下图中用红色线标示出来的电路,这个电路的主要功能就是驱动马达的旋转:

这个电路与我们家中的市电(1)连接(右下角长得像插座的图案),透过市电所供应交流电源来驱动马达(5)。在电源(1)和马达(5)之间,线路还经过了一些电子元件,例如开关(2),当发电机开始产生电力之后,我们就会透过开关(2),来把马达的电力来源,从市电(1)切换为发电机自己产生的电力,达成电力自我供应循环。转速控制器(3)用来调整电流以便控制马达转速。而保险丝(4)则用来是预防电力超载和走火。
当马达(5)被驱动之后,就会透过皮带(绿线)带动发电机核心的转轴(6),让转子开始转动。
QEG的独特构造与原理
QEG的运作方式与传统的发电机(或马达)有三个相当显著的不同:第一,QEG的构造里面没有用到任何的永久磁铁。第二,QEG的旋转部件(转子)上面没有绕任何的线圈。第三,它甚至也没有电刷(和整流子)的构造。就是这三点,使得QEG的原理显得很不寻常,并往往使刚接触QEG的工程师感到疑惑。
那么,QEG是靠什么原理来发电的呢?简单来说,就是靠「共振」的原理。我会在后面的篇幅慢慢说明QEG到底是透过什么样的共振原理来发电。
而下面要介绍的这个电路,就是QEG之所以能产生共振,进而发电的关键。
谐振电路
在下图当中红色线标示的这个电路,是一个谐振电路(Tank Circuit),这种电路的特性是,当我们对这个电路供应电力后,电路当中的的电流会在电路中来回震荡。

在电路里面的「| |」符号,代表的是「电容器」。在电路当中电容器的数量,似乎会影响电流震荡的频率。 QEG所使用的电容器长这样,它是可以耐高电压的高压电容器:

谐振电路的这种震荡原理,就跟在一个U型水管里面加水后发生的震荡很类似,左右边的水会持续轮流上下起伏(重复2和3),来回震荡:

跟U型水管一样,如果我们没有继续为这个谐振电路提供能量,他的震荡幅度就会开始衰减直到停止。但如果我们在适当的时间点,为这个电路补充电能,它就能够持续保持震荡。让这个电路保持震荡是我们的目标,因为达到特定频率的谐振,正是QEG之所以能够发电的关键。
我们可以在前面的电路图看到,谐振电路与发电机核心当中的一对线圈相连接,这对线圈就是「主线圈」,它是我们让谐振电路开始并保持震荡的关键。接下来我要解释的就是这个主线圈的运作原理。
核心──主线圈
发电机核心,包含了两对线圈,一对是主线圈,另一对是副线圈。主线圈是由较细的漆包线所绕成(各3100圈)。副线圈则是由较粗的漆包线所绕成(各350圈)。这里我们先介绍主线圈的部分(如下图,副线圈已被省略)。

如果我们用漆包线缠绕一根铁棒制成一个线圈(如下图棒状的线圈),并将漆包线通电,就会让铁芯变得有磁性。这时铁芯的一端会变成N极,另一端则会变成S极。漆包线缠绕铁芯时的顺、逆时针方向,会决定铁芯哪一头变成N极和S极。这其实就是电磁铁的原理。通常电磁铁的铁芯是棒状的。不过我们的铁芯比较特别,它是环状的。

一般来说,当工程师看到QEG的核心是一个环状的铁芯,并且有着一对线圈的时候,很自然地就会把它当成一个变压器(因为变压器的结构就是长那样,见上图环状线圈),并在缠绕漆包线的时候,将线圈的N和S极设定成这样:

因为这样的磁极设定,可以让一个线圈的磁场很容易就可以顺着铁芯,从N极连接到另一个线圈的S极当中(上图黄色箭头),形成一个封闭的磁场,使得变压器得以运作。然而,QEG核心的主线圈,其实并不是一个变压器!这样的磁极设定并不符合QEG运作的原理。因为如果我们将线圈如此设计,当转子旋转的时候,什么事情都不会发生。这时候转子看起来就是一个多余、没有效用的设计。然而如果我们改变绕线的方向,将线圈的磁极重新设计成这样:

就会发现S极和N极无法再循着原本的路线找到对方,因为若循着原本个路线,只会遇到跟自己相同的磁极。此时N极和S极必须要寻找新的路线,让磁力线能够与对方连接。这个时候,转子就开始发挥它的功用。当转子转到了下图的位置时,就成为了N和S极之间磁力连接的桥梁:
当转子继续旋转,桥梁就会暂时消失。这会使得N和S极之间的磁力连接变得微弱:
当转子又继续旋转,桥梁会于另一侧再度建立:
接着,桥梁就再度消失。 N和S极之间的磁力连接又变得微弱:
这样的设计,让核心得以透过转子的旋转,来不断改变两个主线圈的电感值(inductance)。当磁力线可以经由转子传导的时候,电感值就会变大;当磁力线无法经由转子传导的时候,电感值就会变小。 James说,由于这两个线圈是以串联连接,因此当我们测量它们的电感值,会发现数值相当大,可达到40亨利。而当转子旋转的时候,就会让电感值在大约30~40亨利的范围之间震荡、变化。 (数值参考自访谈影片:〈QEG — Fix the World Organization Interview by PESN; April 3, 2014〉)
离奇的事情是,这个电感值的震荡变化,会在两个主线圈当中产生小伏特的电压。 James说,透过电感的震荡变化可以产生电压的这种效应很少人知道,因此对传统工程师来说也是一个相当不寻常的现象。而这也是QEG独特的原理之一。 (这种现象很类似「冷次定律」,只不过产生感应电流的方式,是透过电感值变化而非磁通量的变化。)
共振
那么这个小伏特的电压有什么用途呢?还记得我们前面提到的「谐振电路」吗?谐振电路需要电能的供应才能够运作、保持震荡。而这时,主线圈所产生的小伏特电压,正好就提供了谐振电路保持震荡所需的电能。于是谐振电路就开始进入了震荡的状态。
接着,更不寻常的事情再度发生,谐振电路的电能震荡,使得核心也开始发生物理震荡。也就是说,核心的矽钢片也开始跟着震荡。为了确保电路中的电能震荡和矽钢片的物理震荡能够保持在相同的频率并达成共振,在一开始设计QEG核心和电路的时候,就必须考虑到矽钢片的厚度、材质,以及谐振电路当中的电容器数量和规格。因为唯有两者达到相同频率的共振,QEG才能正常的运作、发电。 (目前QEG原型机的振动频率设计为400Hz)。
这一点又是QEG的另一项独特之处,它跟传统的马达或发电机的原理完全不同。传统的马达或发电机不但没有利用共振,更把电能震荡造成的物理共振,看成是一个必须解决的问题和缺陷。
那物理共振如何帮助QEG发电呢?这又是QEG运作原理的另一个奇妙之处。
压电效应
当发电机核心达到物理共振时,一种类似压电效应(Piezoelectricity)的现象就发生了。压电效应是一种机械能与电能互换的现象。这时候发电机核心的物理震动(机械能)开始被转换成电能。并且随着震幅越来越大,线圈和谐振电路中,也开始出现越来越高压的电流震荡,最终达到一万两千伏特。这也是为什么线圈和发电机核心必须要有非常好的绝缘处理,并且必须在谐振电路中使用高压电容器的原因。
James说,虽然工程师们都知道压电效应,却很少人想过可以用这种方式来利用压电效应,透过谐振的机械能来发电。而就我的理解,这种透过谐振来产生电力的原理,似乎就是QEG之所以可以产生高压电并达到超输出的原因。
转速的锁定现象
另外,James还提到一个很有意思的现象。虽然整个核心的震荡,一开始是由马达带动转子的旋转而驱动,但是一旦核心的振动频率达到400Hz之后,尝试加快马达的转速,并不会让转子转得更快,也不会使核心的震荡频率变高,而只会使核心的震动幅度加大,进而产生更大的电压。也就是说转子的转速会在核心的振动频率达到400Hz之后被锁定!
现在,我们已经在主线圈及谐振电路当中创造了高电压的电流震荡,然而这些电力目前还被关在这个谐振电路当中,我们又要如何把这些电力给输出,让QEG把电发出来呢?这个关键就在核心的另一组线圈──「副线圈」的身上。
核心──副线圈
接下来核心的工作方式,其实就像是一个变压器。透过谐振电路与主线圈当中的电流震荡,在铁芯当中产生一个震荡的磁场。由于电磁感应原理,这个震荡的磁场(下图黄线)在经过副线圈的时候,将促使副线圈产生震荡的感应电流。于是,主线圈当中高电压的低电流,就被转换成了副线圈当中的低电压高电流。而这个电流产生之后,就会透过与副线圈相连的电路传导出去,成为发电机所输出的电力。
下面红线和蓝线所标示的电路,就是将副线圈的电力传导出去的「电力输出电路」:
图中L1、L2和N就是发电机的电力出口,当我们把负载(例如灯泡)与其连接时,就可以得到电力供应。图中的「激发线圈」(3)可以先暂时忽略,它的功用会在更后面说明。
如果我们将L1和N(或L2和N)与负载连接,就会得到120V的电压输出。这是因为这样的接法,会让电路只经过其中一个副线圈(1)或(2),而仅得到一个线圈所供应的电压。
但如果用L1和L2与负载连接,电路就会以串联的方式通过(1)和(2)两个副线圈,进而得到两倍的电压输出,即240伏特。另外,由于发电机核心的震荡频率为400Hz,因此输出的电力也是400Hz的交流电。由于我们一般家用的交流电频率为60Hz,因此QEG所发出来的电力,还必须经过一些频率及电压转换的程序(先透过整流器转换成直流,再透过逆变器转为频率60Hz的交流电),才可以供应家庭用电。
频率与体积
至于为什么发电机要选择400Hz而不是60Hz的谐振频率呢? James说,这是因为发电机的振动频率与尺寸有直接的关系,只有振动频率提高,才能缩小发电机的体积。就我的理解,这其实就跟乐器一样,音调(振动频率)越低的乐器,体积就越大(例如低音大提琴)。因此若我们想让核心以60Hz的频率振动,它就得变得更大才行。
那么,如果振动频率越高,发电机就能越小,我们是不是可以提高它的振动频率,让发电机更小呢?我们的确可以这样做没错,然而这也表示,发电机的零件必须变得更精密,核心的矽钢片也必须变得更薄。而当零件越精密、越小、越薄,也就越不容易生产,这时价格也会跟着变高。因此未来在改良、设计QEG的时候,就必须考量到这些部分,在价格和体积之间取得适当的平衡。
超输出与自我供应
讲到这里,QEG的主要运作方式,已经大致解释完毕。一开始我们透过市电,来驱动QEG的马达,让QEG开始运作达到共振,最后,则让QEG产生出约10KW的电力输出。
在这当中有一点非常重要,那就是我们必须确保QEG输出的电力大于输入的电力,也就是超输出,这样QEG才能真的称得上是一台发电机。
目前James的QEG原型机,的电力输出约为10KW,并仅需约1KW的电力输入,也就是说,它已经达到了约10倍的超输出。
既然QEG已经有能力在达到谐振之后,产生超输出的电力,那么我们的最后一个步骤,就是把一开始供应QEG马达的市电电源切断,转而使用QEG自己发出来的电来供应自己的马达,实现自我供应。
下面的这个电路所做的就是这件事情:
电路图当中的绿线,以并联的方式,跟左边(以红线和蓝线标示)的「电力输出电路」连接。把发电机输出的电力,导到右下方的开关。一旦我们切换开关,右边(以红线标示)的「马达驱动电路」跟市电的连接就会被切断,转而与绿线连接,这时「马达驱动电路」的电力就开始由QEG发电机自己所输出的电力来供应。 (其实只有这个开关是不够的,因为在开关切换的过程中会发生短暂断电,这会使发电机立即失去发电能力并导致自我供应失败。所以实际上还需要搭配使用逆变器,因为逆变器具有在断电的几毫秒内,暂时维持电力输出的功能。)
这就表示,扣掉发电机自己消耗的1KW之后,发电机还能有9KW的电力输出可供整个家庭使用! (平均一个现代家庭所需的用电量约为5~10KW)
一旦这件事情发生,就是我们该大声欢呼的时刻,因为从这时候开始,我们就正式脱离了国家的电力网路,脱离火力、核能等各种对环境有害的能源,往自给自足的梦想踏出了非常关键的一步!
激发线圈
至于电路图中的「激发线圈」(3)是做什么用的呢?
根据James的说法,「激发线圈」并不是一个必要的装置,但如果有激发线圈,就能帮助QEG发电机达到更高的发电效率。

(激发线圈)
James说,虽然QEG(Quantum Energy Generator)的全名是「量子能发电机」,但其实整个QEG设计里面,唯一跟「量子」有关系的,只有这个激发线圈。
在QEG团队发布的开源文件当中提到:
In the QEG, the exciter coil is used to provide a conduction path through the quantum field (zero point) into the generator core. This has the effect of polarizing the core, which increases power output over time.
也就是说这个激发线圈的功能,是提供发电机核心与量子场/零点能量场(quantum field/zero point)的连结传导路径。这种效应会将核心极化,而使得发电效率随着时间提升。等到这个优化的调校完成后,就无需再使用这个激发线圈。
这个激发线圈的原理,其实是另一个谐振电路。这个谐振电路,靠着与发电机的输出电力串联来维持谐振。然而特别的是,它的振动频率是与地球的某个自然频率达到共振。虽然舒曼共振频率(7.83 Hz)也是一个地球的自然共振频率,但激发线圈所使用的是比舒曼共振更高的另一个自然共振频率。
在激发线圈的结构中,包含一个火花间隙元件,会随着谐振电路的震荡,产生高压火花。James说而这个火花必须在QEG核心的磁场范围内,当火花产生时,就会导致磁场发生崩解,进而在核心中产生额外的电流脉冲。 (这部分的原理还不是很确定)
开源文件当中对也提到,我们可以用这样的方式使用激发线圈:
Start the generator and let it spark for 2-3 seconds, and repeat this 4 or 5 times. Do this whenever starting the generator for the first few weeks of operation.
也就是说,我们需要在发电机运转当中的时候,让激发线圈产生火花持续2~3秒,并重复这样的步骤4~5次。而且在头几周之内,每次启动发电机的时候都需要进行这样的程序(James说就他的了解是,若我们将发电机移动到别处,就需要重新进行此调校的程序)。至于这会对核心造成什么样的影响,又是透过什么原理来帮助提高发电效率,目前还不是很清楚。
这是因为,如我在最一开始提到的,QEG发电机的构造并非James原创,而是参考自WITTS的设计。当时James在完成原型机的建造并达成超输出后,就决定要尽快把他的研究成果公开,而没有时间仔细研究激发线圈的原理,或帮发电机进行任何的优化和改良。因为他知道,只要他尽快把最重要的QEG原理公开,后续的优化、改良和研究工作,会被全世界许多更厉害的工程师们完成,这会比他一个人研究有效率得多。而他越早把技术公开,全世界的人们也就越早受益。
好了,这就是我所理解到的全部了!我不敢保证我的理解一定正确或完整,只希望能帮助大家对QEG有稍微具体一点的了解。如果有发现任何的错误,也欢迎指正讨论。至于更详细的QEG技术细节和规格,还是请参阅开源的QEG的设计图文件(请到此下载)。欲了解更多QEG和《修复世界组织》的相关讯息,请参阅〈修复世界组织公开声明〉或造访《修复世界组织》(Fix The World)官方网站。如果想进一步了解QEG和自由能源的历史背景,以及修复世界组织未来推展QEG及帮助世界的计画,请参阅〈QEG自由能源宝典〉。若想听James亲自说明QEG的录音,请参考访谈影片:〈QEG — Fix the World Organization Interview by PESN; April 3, 2014〉
※ 本文由克里斯(Chris Yang)撰写,欢迎复制、转载,但请注明作者与文章来源。
原文連結: http://non-mainstream-research.blogspot.tw/2014/04/qeg.html











